Преимущества перегрузочных тамбуров

Спасибо за вашу заявку
Мы свяжемся с вами в ближайшее время.

- Как защитить тамбур от сквозняков и дождя на стыках обшивки?
При заказе перегрузочного тамбура ALUTECH DH с обшивкой профилированным листом или сэндвич-панелью в стандартный комплект поставки входят нащельники примыкания к стене, отливы по бокам площадки, уголки обрамления стыков крыши и стен. Эти элементы надежно защищают от сквозняков и осадков.

- В каких случаях рекомендуется установка тамбура не под прямым углом к зданию?

При проектировании перегрузочной рампы следует учитывать, что длина площадки, необходимая для маневра и парковки грузовика, должна быть в два раза больше длины грузовика с запасом в два метра. Большинство автопоездов с прицепом имеют ограничение по длине 18 м. Таким образом, для грузовика длиной 18 м необходимо предусмотреть свободное пространство перед рампой длиной 38 м.
В случае, когда данное пространство ограниченно, организовать рабочий процесс позволяет монтаж перегрузочного тамбура под углом.
- Не протекают ли стыки между сэндвич-панелями на крыше тамбура?
Перегрузочный тамбур ALUTECH DH c обшивкой сэндвич-панелями обеспечивает отличную герметизацию и теплоизоляцию перегрузочного поста. Защищает персонал и технику от воздействия атмосферных осадков и других неблагоприятных погодных условий.
На крышу тамбура поверх сэндвич-панелей дополнительно устанавливается профилированный лист, что исключает попадание воды внутрь помещения в местах соединения панелей.

Также отвод осадков обеспечивают наклон крыши тамбура вперед на 5° и водосточный желоб в стандартной комплектации.
- Возможна ли установка нескольких перегрузочных тамбуров вплотную друг к другу?
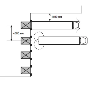
Перегрузочные тамбуры можно установить вплотную друг к другу. Однако при одновременной парковке грузовиков к соседним постам такое решение может создать затруднения для персонала склада и перевозчика с открытием дверей кузова и кабины. Поэтому при проектировании рекомендуется предусмотреть расстояние между осями перегрузочных постов не менее 4000 мм. Это обеспечит беспрепятственное и комфортное открывание дверей кузова грузовика, а также дверей кабины для свободного доступа к ней водителя.

Более подробную информацию вы сможете найти в каталоге технических решений.
Мы проконсультируем вас по любому вопросу о продукции «АЛЮТЕХ»

- Сжатый срок производства
производство и доставка из Беларуси до 4 недель в зависимости от вида продукции
- Гарантия 10 лет
расширенная гарантия от сквозной коррозии на уравнительные платформы и выносные перегрузочные площадки
- Складская программа
наличие уравнительных платформ и герметизаторов проема на складах для реализации оперативных поставок в сжатые сроки
- Конкурентная цена
благодаря организации производства полного цикла. Гибкая ценовая политика

Спасибо за вашу заявку
Мы свяжемся с вами в ближайшее время.









































